Model
Search parts for your vehicle
- Return to bike

Tempest 125 (LJ125-9A)

Ref
Code
Part Name
Qty
Price
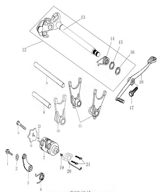
1
BLT210
Flanged Hex Bolt M6 x 15mm
BLT210
1
£1.49
View
2
WSH95
Washer M6 x 1 x 14mm
WSH95
1
£1.49
View
3
GRSDS002
Gear Selector Drum Stopper
GRSDS002
1
£1.99
View
4
SPNG146
Gear Selector Drum Spring
SPNG146
1
£1.49
View
5
BLT072
Hex Bolt M6 x 20mm
BLT072
1
£1.99
View
6
GRSC014
Gear Selector Cam
GRSC014
1
£6.49
View
7
GRSD009
Gear Selector Drum
GRSD009
1
£11.49
View
8
GRSS021
Gear Fork Shaft - Middle
GRSS021
1
£3.49
View
9
GRSS020
Right Gear Fork shaft for LJ125-9A, LJ125-9A-GT, SCMB125
GRSS020
1
£15.99
View
10
GRSF014
Gear Selector Fork - Middle
GRSF014
1
£5.49
View
11
GRSF015
Right Gear Selector Fork for LJ125-9A, LJ125-9A-GT, SCMB125, LJ125-9A-GT-E5, LJ
GRSF015
1
£5.49
View
12
GRSS010
Gear Selector Shaft
GRSS010
1
£15.49
View
12
GRSS035
Gear Selector Shaft
GRSS035
1
£13.99
View
14
SPNG127
Gear Selector Return Spring ZY125
SPNG127
1
£2.49
View
15
CCLP004
Circlip 14mm
CCLP004
1
£3.99
View
19
GRSEN030
Gear Position Sensor Pin
GRSEN030
1
£5.49
View
20
GRSEN014
Gear Position Sensor
GRSEN014
1
£6.99
View
21
BLT213
Flanged Hex Bolt M6 x 24mm
BLT213
1
£2.49
View
22
DWL023
Pin 3 x 8.5mm
DWL023
1
£2.49
View