Model
Search parts for your vehicle

We found your bike is one of ours — please enter your frame number to find the exact model.

- Return to bike

Diablo 125 EFI (LJ125T-8M-E4)

Ref
Code
Part Name
Qty
Price
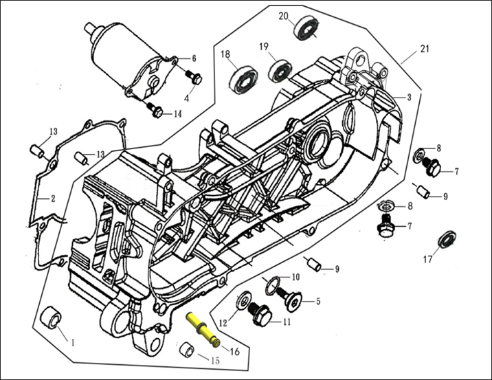
1, 15
WSH30
Centre Stand Spacer and Bush
WSH30
1
£3.49
View
2
GSKCR023
125cc Scooter Crankcase Gasket Centre LJ1P52QMI
GSKCR023
1
£7.49
View
6
STM030
Scooter Starter Motor LJ1P52QMI
STM030
1
£29.99
View
16
STDPC002
Centre Stand Pin
STDPC002
1
£2.49
View
17
OLSL036
Oil Seal 20 x 32 x 6mm
OLSL036
1
£6.49
View