Model
Search parts for your vehicle
- Return to bike

Matador 125 EFI (JJ125T-17)

Ref
Code
Part Name
Qty
Price
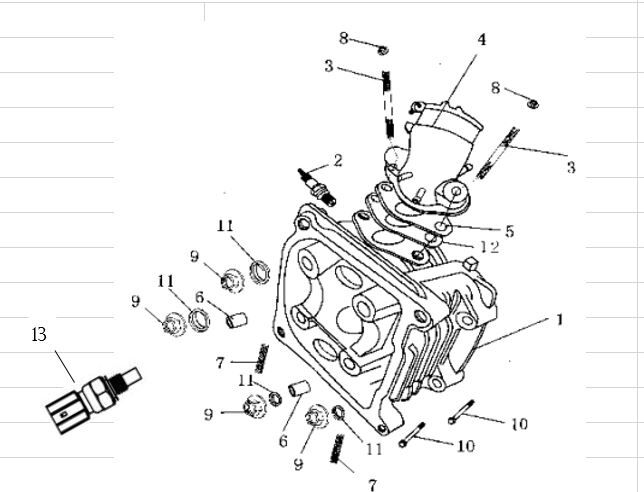
2
SPRK010
NGK C7HSA Spark Plug 4629
SPRK010
1
£2.99
View
3
STD025
Stud for ZS125T-40-E4, JJ125T-17
STD025
1
£3.49
View
4
MNF074
Inlet Manifold for JJ125T-17
MNF074
1
£15.99
View
5
GSKIM009
Inlet Manifold Spacer for ZS125T-40-E4, JJ125T-17
GSKIM009
1
£2.49
View
12
GSKCT005
125cc Scooter Cam Chain Tensioner Gasket 152QMI 152QMI-A
GSKCT005
1
£4.99
View