Model
Search parts for your vehicle

We found your bike is one of ours — please enter your frame number to find the exact model.

- Return to bike

Diablo 50 (LJ50QT-9M)

Ref
Code
Part Name
Qty
Price
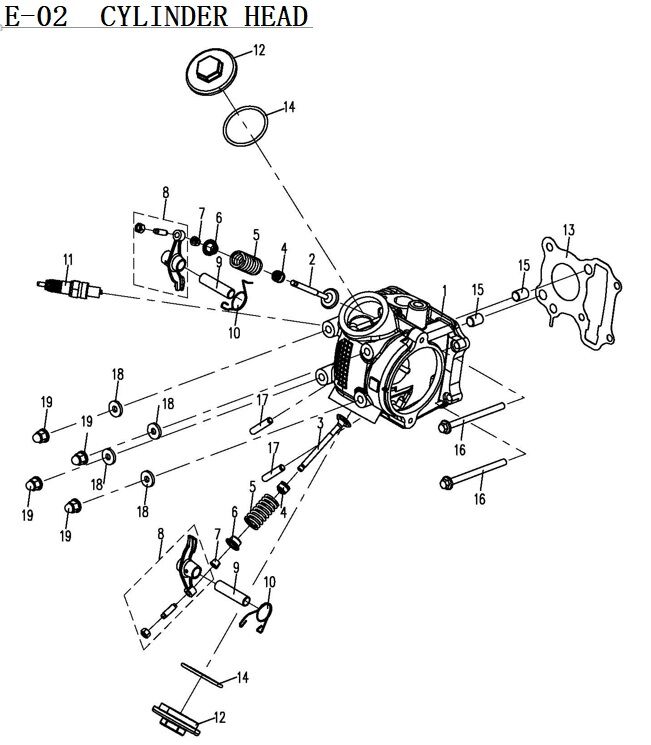
1
CYLH117
Cylinder Head
CYLH117
1
£45.49
View
2
VLVIN047
Inlet Valve
VLVIN047
1
£8.99
View
3
VLVEX047
Exhaust Valve
VLVEX047
1
£12.49
View
4
VLVOS002
50/100/125cc Valve Stem Oil Seal
VLVOS002
1
£3.49
View
5
VLVS030
Valve Spring
VLVS030
1
£2.49
View
6
VLVSR002
Spring
VLVSR002
1
£3.49
View
7
VLVC033
Inlet/Exhaust Valve Collets
VLVC033
1
£0.99
View
8
RKA034
Rocker Arm
RKA034
1
£5.49
View
9
RKAS011
Rocker Arm Shaft
RKAS011
1
£4.99
View
11
SPRK005
NGK CR6HSA Spark Plug 2983
SPRK005
1
£8.99
View
12, 14
CYHDI010
Cylinder Head Inspection Cap for LJ50QT-N, LJ50QT-9M, LJ50QT-6L
CYHDI010
1
£7.49
View
13
GSKH044
Head Gasket
GSKH044
1
£6.49
View
15
DWL003
Engine Dowel 10 x 4mm
DWL003
1
£3.49
View
16
BLTCH020
Cylinder Head Bolts M6 x 80mm
BLTCH020
1
£8.99
View
17
STDCH041
Cylinder Head Studs 6 x 32mm
STDCH041
1
£2.49
View
18
WSH0093
Cylinder Head Washer 6x16x2.5mm
WSH0093
1
£1.99
View
19
EXNUT009
M6 Chrome Chrome Exhaust Domed Nut M6 x 17mm
EXNUT009
1
£5.49
View