Model
Search parts for your vehicle
- Return to bike

Pegasus 300 Euro 5 (TR300T-P-E5)

Ref
Code
Part Name
Qty
Price
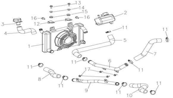
1
RAD011
Radiator
RAD011
1
£115.49
View
2, 2
WTRSVR009
Coolant Reservoir
WTRSVR009
1
£10.49
View
3
RADC003
Radiator Cap
RADC003
1
£10.49
View
4, 5, 6, 7, 8, 9, 10
WTHS023
Cooling Hose Kit
WTHS023
1
£46.49
View