Model
Search parts for your vehicle
- Return to bike

Tempest 125 Euro 5 (LJ125-9A-E5)

Ref
Code
Part Name
Qty
Price
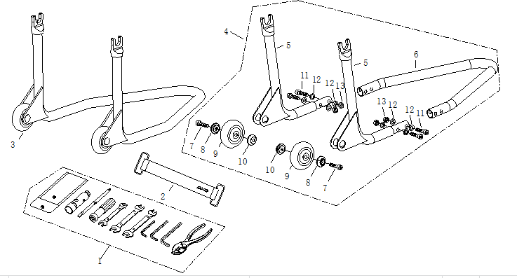
1
TLKT035
Tool Set
TLKT035
1
£62.49
View