Model
Search parts for your vehicle

We found your bike is one of ours — please enter your frame number to find the exact model.

- Return to bike

L5 E55 (LJ50QT-7E-E55)

Ref
Code
Part Name
Qty
Price
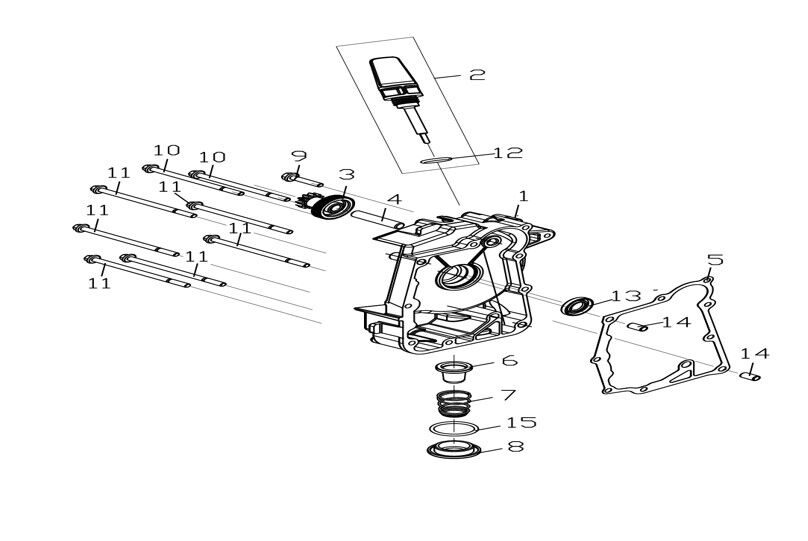
2
OFC035
Engine Oil Filler Cap
OFC035
1
£3.99
View
3
GRRD059
Reduction Gear
GRRD059
1
£11.99
View
4
GRRDS013
Reduction Gear Shaft
GRRDS013
1
£2.99
View
5
GSKCR049
Right Crankcase (Clutch) Cover Gasket
GSKCR049
1
£3.49
View
6
OLST003
Oil Strainer/Filter Thimble Type
OLST003
1
£6.49
View
7
OLFSS002
50/125cc Scooter Oil Filter Strainer Spring
OLFSS002
1
£1.99
View
8
OLFC006
Oil Filter Cap
OLFC006
1
£4.99
View
9
BLT947
Bolt M6 x 20mm
BLT947
1
£1.99
View
10
BLT093
LJ1P52QMI Flanged Hex Bolt with Shank Cylinder Bolt M6 x 95mm
BLT093
1
£0.99
View
12
OLSL048
Oil Seal 16.4 x 30 x 5mm
OLSL048
1
£7.49
View
14
DWL001
Engine Dowel 8 x 14mm
DWL001
1
£4.99
View