Model
Search parts for your vehicle
- Return to bike

LXR SE 125 E55 (SY125-10-SE-E55)

Ref
Code
Part Name
Qty
Price
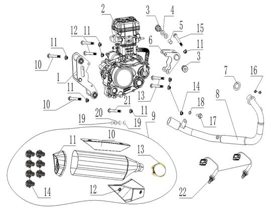
1
SBFRR029
Rear Engine Mount
SBFRR029
1
£22.49
View
3
BSH104
Front Engine Mount Bushes
BSH104
1
£5.99
View
6
SBFRF020
Front Engine Mounting Bracket
SBFRF020
1
£18.99
View
7
GSKEX121
Exhaust Gasket 39 x 29 x 5mm for TR125-3-E5
GSKEX121
1
£5.49
View
8
DWNPP239
Downpipe for LXR 125 E55
DWNPP239
1
£144.49
View
9
EXSL064
Exhaust Silencer (Twin Port)
EXSL064
1
£122.99
View
11
NUT210
Locking Nut M10
NUT210
1
£2.49
View
14
NUT248
Locking Nut
NUT248
1
£1.99
View
19
EXSPCR013
Exhaust Spacer
EXSPCR013
1
£9.49
View
20
SPNG296
Exhaust Spacer
SPNG296
1
£2.49
View
21
LMSEN036
Lambda Sensor 405mm
LMSEN036
1
£56.49
View