Model
Search parts for your vehicle

We found your bike is one of ours — please enter your frame number to find the exact model.

- Return to bike

Adrenaline 125 (XFLM125GY-2B)

Ref
Code
Part Name
Qty
Price
1
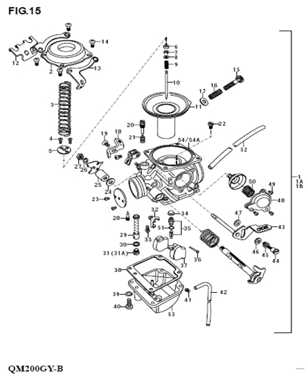
CRB017
Mikuni Carburettor for XF125GY-2B
CRB017
1
£29.99
View