Model
Search parts for your vehicle

We found your bike is one of ours — please enter your frame number to find the exact model.

- Return to bike

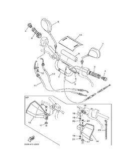
ZSF 125 (TD125-10C)

Ref
Code
Part Name
Qty
Price
2
HNDGR064
Right Handlebar Grip
HNDGR064
1
£8.99
View
4
HNDBE021
Handlebar End
HNDBE021
1
£7.99
View