Model
Search parts for your vehicle

We found your bike is one of ours — please enter your frame number to find the exact model.

- Return to bike

Valiant 125 (XF125R)

Ref
Code
Part Name
Qty
Price
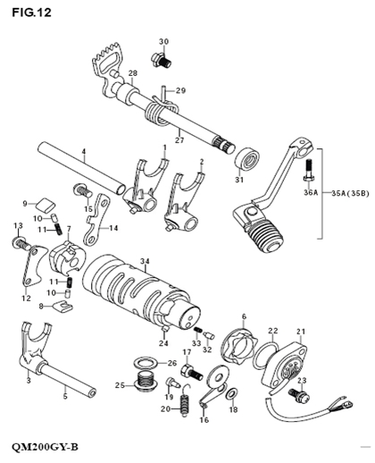
27
GRSS025
Gear Selector Shaft
GRSS025
1
£14.99
View