Model
Search parts for your vehicle

We found your bike is one of ours — please enter your frame number to find the exact model.

- Return to bike

Urban 125 (LJ125T-16)

Ref
Code
Part Name
Qty
Price
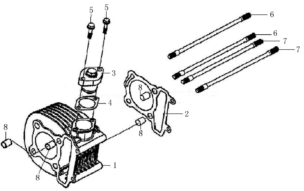
1
CYL034
125cc Scooter Cylinder LJ1P52QMI
CYL034
1
£28.49
View
2
GSKB019
125cc Scooter Base Gasket LJ1P52QMI
GSKB019
1
£4.99
View
3
CMCT022
Cam Chain Tensioner for LJ125T-8M-E4
CMCT022
1
£5.49
View
4
GSKCT005
125cc Scooter Cam Chain Tensioner Gasket 152QMI 152QMI-A
GSKCT005
1
£4.99
View
5
BLT199
Bolt M6 x 22mm for LJ125T-8M-E4
BLT199
2
£1.99
View
6, 7
STDCH017
Cylinder Head Studs LJ1P52QMI
STDCH017
2
£8.99
View
8
DWL003
Engine Dowel 10 x 4mm
DWL003
4
£3.49
View