Model
Search parts for your vehicle

We found your bike is one of ours — please enter your frame number to find the exact model.

- Return to bike

Vegas 125 (UM125-VG)

Ref
Code
Part Name
Qty
Price
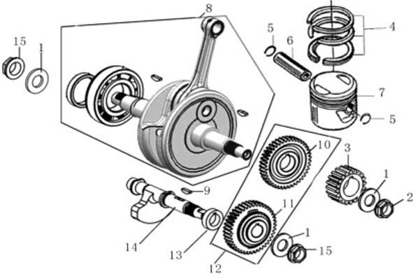
4
PSTR047
Piston Rings
PSTR047
1
£9.49
View
5
GPCLP007
Gudgeon Pin Clips 13mm
GPCLP007
1
£0.99
View
6
GDP028
14mm Gudgeon Pin 42 x 14 x 10mm
GDP028
1
£3.99
View
7
PST043
Piston
PST043
1
£9.99
View
12
GRBS008
Balance Shaft Gears for UM125-VG
GRBS008
1
£92.49
View
13
BSH036
Balance Shaft Bush for ZY125-E4
BSH036
1
£2.99
View
14
BAS014
Balance Shaft
BAS014
1
£31.49
View