Search parts for your vehicle

We found your bike is one of ours — please enter your frame number to find the exact model.

DRL Indicator Relay 3 Wires

DRL Indicator Relay

Ensure your motorcycle or scooter's turn signals operate flawlessly with this 3-wire DRL Indicator Relay.

Features:

  • Reliable Performance: Designed for ... view more

£14.49

Availability: In Stock
Code: INDRY021 PLU: 18790 EAN: 5057645194361 Classic Part: No Connector Type: Female Items included: Flasher & Indicator Relay Machine Type: Scooter Manufacturer Warranty: 1 Year Number of Contacts: 3 Reference OE/OEM Number: 115501021 Terminal Type: Plug Type: Flasher & Indicator Relay Unit Type: No Voltage: 12 V

Order before 4pm for same day dispatch

0 Hours 0 Mins 0 Secs
Description

"You should buy this DRL Indicator Relay"

DRL Indicator Relay

Ensure your motorcycle or scooter's turn signals operate flawlessly with this 3-wire DRL Indicator Relay.

Features:

  • Reliable Performance: Designed for consistent and dependable operation.
  • Direct Replacement: Engineered to fit and function as a direct replacement for your original relay.
  • 3-Wire Configuration: Specifically designed for applications requiring a 3-wire setup.
  • Durable Construction: Built to withstand the demands of motorcycle use.

Upgrade your signaling system and maintain optimal visibility on the road.

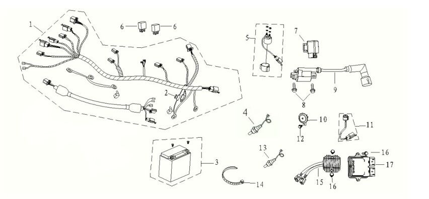
Product Diagram
ELECTRICAL diagram - Lexmoto Diablo 125 E55 - LJ125T-9M-E55
ELECTRICAL
Ref Item Name Price
1 Wiring Loom
WRLM343 x 1
£56.99
2 Fuse 10A
FUSE002 x 1
£5.49
3 Battery YTX7A
BTY078 x 1
£24.49
4 Lambda Sensor 620mm
LMSEN054 x 1
£35.99
5 Starter Relay
STRY063 x 1
£20.49
6 EFI/Ignition Relay 20A
STRY056 x 1
£8.99
7 Headlight Relay
LTRY005 x 1
£23.49
9 Ignition Coil
IGNC099 x 1
£13.99
10 Horn
HRN049 x 1
£7.49
11 DRL Indicator Relay 3 Wires
INDRY021 x 1
£14.49
13 Lambda Sensor 270mm
LMSEN055 x 1
£36.99
15 Regulator / Rectifier
RGRC099 x 1
£27.49
16 Bolt M16 x 16mm
SCRW113 x 1
£1.49
17 ECU
ECU113 x 1
£123.99
Compatibility
Manufacturer Model Diagram
AJS Modena 50 [ZN50QT-27]
Modena 125 [ZN125T-27]
Lexmoto Diablo 50 E55 [LJ50QT-9M-E55] View parts diagram
Diablo 50 Euro 5 [LJ50QT-9M-E5] View parts diagram
Diablo 125 E55 [LJ125T-9M-E55] View parts diagram
Diablo 125 EFI [LJ125T-8M-E4] View parts diagram
Diablo 125 Euro 5 [LJ125T-9M-E5] View parts diagram
Diablo 125 [LJ125T-8M] View parts diagram
Matador 50 E4 [JJ50QT-17] View parts diagram
Matador 125 EFI [JJ125T-17] View parts diagram
Matador 125 EFI [ZS125T-40-E4] View parts diagram
Matador 125 [ZS125T-40] View parts diagram
Milano 50 [FT50QT-27] View parts diagram
Milano 125 [FT125T-27] View parts diagram
Nano 50 [LJ50QT-N] View parts diagram
Longjia LJ125T-9M
You Might Also Like

£34.49

£25.49

£5.49

£9.99

£15.99

Brake Disc
BRDR007 In Stock

£19.49

Wiring Loom for LJ50QT-9M-E5
WRLM240 Low Stock

£50.99

£9.49

£42.49

Lextek Front Sprocket for 156FMI 157FMI

FROM£8.99

£29.99

Throttle Body ZY125-E4
THRB027 In Stock

£76.49

£14.49