Search parts for your vehicle

We found your bike is one of ours — please enter your frame number to find the exact model.

Front Spindle M15 x 235 x 15 x 1.5mm

Front Spindle

Ensure the secure mounting of your front wheel with this robust front spindle. Precision engineered for durability and a perfect fit, this spindle is a crucial component for maintaining your motorcycle's or scoo... view more

£26.99

Availability: In Stock
Code: SPND145 PLU: 34623 EAN: 5057645458722 Length: 235mm Diameter (Shaft): 15mm Diameter (Head): 24mm Thread Diameter: 14mm Thread Pitch: 1.5mm Thread Direction: Right Head Size: n/amm Thread Length: 50mm Colour: Black Items included: Axle Manufacturer Part Number: SPND145 Manufacturer Warranty: 1 Year Performance Part: No Placement on Vehicle: Front Reference OE/OEM Number: 165100054 Type: Axle Universal Fitment: No

Order before 4pm for same day dispatch

0 Hours 0 Mins 0 Secs
Description

"You should buy this Spindle M15 x 235 x 15 x 1.5mm"

Front Spindle

Ensure the secure mounting of your front wheel with this robust front spindle. Precision engineered for durability and a perfect fit, this spindle is a crucial component for maintaining your motorcycle's or scooter's handling and safety.

Key Features:

  • High-Quality Construction: Built to last with premium materials for reliable performance.
  • Precise Fitment: Designed for a seamless integration with your existing front wheel assembly.
  • Essential for Safety: Contributes to the stability and control of your vehicle.

Replace your worn or damaged spindle to restore optimal front wheel functionality.

Product Diagram
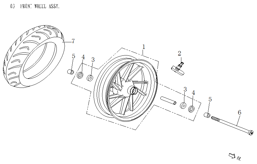
FRONT WHEEL ASSEMBLY
Ref Item Name Price
1 Front Black Wheel 13 x 3.00inch for LJ300T-18-E5
WHLR199 x 1
£124.99
2 Tyre Pressure Sensor for LJ300T-18-E5
TYRSEN002 x 1
£40.99
3 Single Wheel Bearing 6202 2RS 15 x 35 x 11mm
BRG108 x 1
£4.99
4 Front Wheel Oil Seal 25 x 35 x 5mm for LJ125-9A, LJ125-9A-GT, LJ250-3V, SCMB125, LJ125-9A
OLSL004 x 1
£7.49
5 Front Wheel Spacer
SPCR043 x 1
£4.99
6 Front Spindle M15 x 235 x 15 x 1.5mm
SPND145 x 1
£26.99
7 Front Tyre 48 S 110/70-13inch Tubeless
TYR093 x 1
£38.99
Compatibility
Manufacturer Model Diagram
Lexmoto Aura 300 Euro 5 [LJ300T-18-E5] View parts diagram
Longjia LJ300T-18
You Might Also Like
Air Box Complete for LJ125T-18
ARFA086 Low Stock

£31.99

£124.99

Regulator/Rectifier
RGRC088 In Stock

£13.99

Air Box Complete for LJ125T-18
ARFA086 Low Stock

£31.99

£124.99

Regulator/Rectifier
RGRC088 In Stock

£13.99

Ear Plugs box of 100
ACCV003 In Stock

£98.99

Best Seller

£33.49

Best Seller
Set of 4 Tyre Valve Dust Caps
VLVTYRV001 In Stock

£3.49