Search parts for your vehicle

We found your bike is one of ours — please enter your frame number to find the exact model.

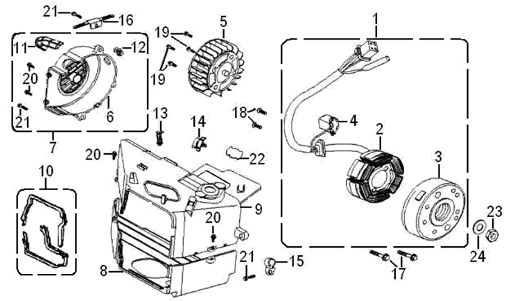
125cc Scooter Stator 152QMI

DC ignition system only

£17.99

Availability: In Stock
Code: STTR009 PLU: 12205 EAN: 5057645175117 Pickup included: Yes Quantity of Coils: 12 Quantity of Fixing Holes: Capacity Rating Wiring Specification: 3 Wire Female Plug: Orange - Orange - Orange , Female Bullet Wires: Green - Blue/White Quantity of wires: 5 Diameter across coils: 88mm Maximum Coil Thickness: 26.5mm Type: Stator

Order now for dispatch on Tuesday

Description

"We have sold 10 of these in the last 3 months"

The stator is the stationary part of a rotary system, found in electric generators, electric motors, sirens, mud motors, or biological rotors. Energy flows through a stator to or from the rotating component of the system. In an electric motor, the stator provides a magnetic field that drives the rotating armature; in a generator, the stator converts the rotating magnetic field to electric current.

DC ignition system only

Product Diagram
FLYWHEEL STATOR diagram - Lexmoto Milano 125 - FT125T-27
FLYWHEEL STATOR
Ref Item Name Price
2 125cc Scooter Stator 152QMI
STTR009 x 1
£17.99
5 Flywheel Cooling Fan
FLWCF003 x 1
£7.49
7 Flywheel Engine Cowl 152QMI
ENGCWL014 x 1
£5.49
9 Flywheel Engine Cowl for FT125T-27, ZN125T-8F
ENGCWL036 x 1
£6.49
23 Flanged Nut M12 x 1.25mm
NUT164 x 1
£1.99
More Product Diagrams
Compatibility
Manufacturer Model Fitment Diagram
AJS Modena 125 [ZN125T-27]
Direct Bikes 125cc Classic
125cc Cobra E3 [DB125T-15D]
125cc Cruiser E3 [DB125T-7H]
125cc Milan E3 [DB125T-30A]
125cc Scorpion E3 [DB125T-32A]
125cc Sports E3 [DB125T-26]
125cc Spyder E3 [DB125T-22]
125cc Tommy E3
125cc Viper E3 [DB125T-32]
Jinlun 125cc Tommy Scooter E3
Lexmoto FMR 125 EFI [WY125T-74R-E4] Alternative View parts diagram
FMS 125 [ZN125T-7H] View parts diagram
FMX 125 EFI [WY125T-108-E4] Alternative View parts diagram
Firenze 125
Milano 125 [FT125T-27] View parts diagram
Tommy 125 E3
Valencia 125 [ZN125T-K] View parts diagram
Pulse Phantom 125 [ZN125T-32A]
Sinnis Harrier 125 [ZN125T-22(SINNIS)]
Shuttle 125 [ZN125T-7H(SINNIS)]
Spirit 125 [ZN125T-E-S]
Tamoretti Retro 125 E3
Znen Firenze 125 [ZN125T-F]
Tommy 125 E3 [ZN125T-E]
ZN125T-22
You Might Also Like

£34.49

£60.49

£8.99

£23.49

Ignition Coil
IGNC011 In Stock

£6.49

Flywheel
FLW001 Low Stock

£20.99

£215.99

NGK C7HSA Spark Plug 4629
SPRK010 In Stock

£2.99

£21.99

£22.99

Rear Undertray Mudguard
PNLU019 Low Stock

£5.49

Fuse 15A
FUSE001 In Stock

£3.99

Start Button
SWSTR001 In Stock

£14.49

Stator Retaining Bracket ZY125
CMCHN025 Low Stock

£1.49

Scooter Kill Switch
SWKL001 In Stock

£11.99

Flywheel Engine Cowl 152QMI
ENGCWL014 In Stock

£5.49

£169.99

Ignition Coil
IGNC062 In Stock

£31.49

£11.99

£2.49

£26.99

£27.49

125cc Scooter Stator 152QMI
STTR053 In Stock

£29.99

Special Offer
Starter Relay
STRY013 In Stock

£10.49 £9.44