Search parts for your vehicle

We found your bike is one of ours — please enter your frame number to find the exact model.

Centre Stand Spacer and Bush

£3.49

Availability: In Stock
IMPORTANT: this will come as pair - spacer and bush
Code: WSH30 PLU: 20696 EAN: 5057645160939 Brand: CMPO Classic Part: No Country/Region of Manufacture: China Features: Easy Installation Items included: Spacer Machine Type: Scooter Manufacturer Part Number: WSH30 Manufacturer Warranty: 1 Year Material: Steel Performance Part: No Placement on Vehicle: Lower Reference OE/OEM Number: 135500021 Type: Spacer Unit Quantity: 1 Universal Fitment: No

Order now for dispatch on Tuesday

Description

"In the category of Fixtures and Fittings, Washers"

A washer is a flat, typically circular metal or plastic component used in motorcycle assemblies. It is placed between a fastener (like a bolt or nut) and the surface it is fastening to.

Product Diagram
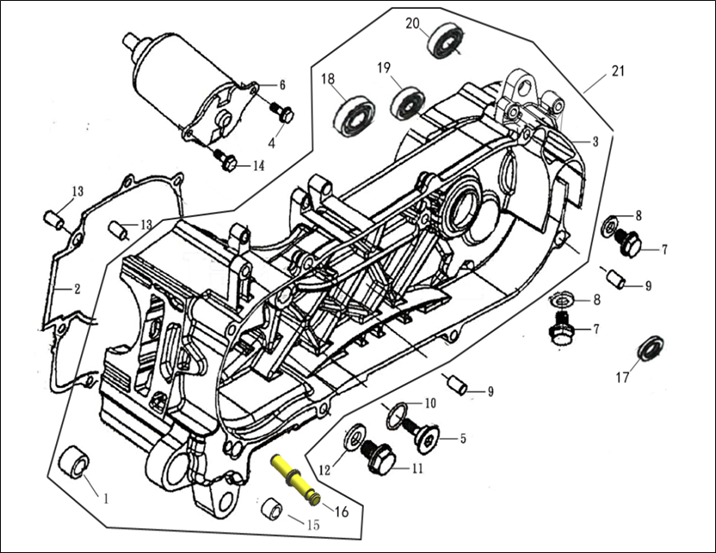
LEFT CRANKCASE/STARTER MOTOR diagram - Lexmoto Diablo 125 EFI - LJ125T-8M-E4
LEFT CRANKCASE/STARTER MOTOR
Ref Item Name Price
1, 15 Centre Stand Spacer and Bush
WSH30 x 1
£3.49
2 125cc Scooter Crankcase Gasket Centre LJ1P52QMI
GSKCR023 x 1
£7.49
6 Scooter Starter Motor LJ1P52QMI
STM030 x 1
£29.99
16 Centre Stand Pin
STDPC002 x 1
£2.49
17 Oil Seal 20 x 32 x 6mm
OLSL036 x 1
£6.49
Compatibility
Manufacturer Model Diagram
Lexmoto Diablo 125 EFI [LJ125T-8M-E4] View parts diagram
Diablo 125 [LJ125T-8M] View parts diagram
Riviera 125 [LJ125T-V] View parts diagram
Urban 125 [LJ125T-16] View parts diagram
Romet City 125 [CITY125]
UM DSR Adventure 125 [UM125-ADV] View parts diagram
You Might Also Like
Starter Relay
STRY047 In Stock

£8.99

Best Seller
Oil Filter
OLF026 In Stock

£4.99

NGK CR9E Spark Plug 6263
SPRK015 In Stock

£9.49

£8.99

Centre Stand for LJ125T-8M
STDC042 In Stock

£27.49

Engine Subframe
SBFRE009 In Stock

£18.99

NGK CPR6EA-9 Spark Plug 6899
SPRK020 In Stock

£11.99

£3.49

Centre Stand Cushion T1
STDCC014 In Stock

£4.99

£38.49

Centre Stand Spring
SPNG031 Selling Fast!

£5.49